- Linkou (林口) HAWK site (+25° 6′ 15.75″, +121° 17′ 52.99″)
It appeared that construction of this site had begun in 1966:

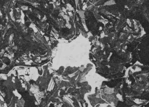
By the time this 1969 image was taken, it’s ready for business:

This HAWK site was still active as of 2006. But I am not sure about its current status.

- Yangmei (楊梅) Nike-Hercules site (+24° 54′ 9.51″, +121° 7′ 9.83″)
This site used to be the home of D Battery the 2nd Missile Battalion, 71st Artillery, U.S. Army. When this image was 1966, control of this site had been transferred to the ROC Army.

The Nike-Hercules missiles are visible in this 1969 image:

The Nike-Hercules missiles were retired in mid 1990s. But four objects can be found in each of the three revetments in this 2003 image. What are they?

1 thought on “CORONA Satellite Images of Taiwan SAM Sites (CORONA眼中的台灣防空飛彈陣地) Part 3”
Comments are closed.
Strike that. It looks more like the Nike Herc fixed launchers, some already removed, but some still remain…..